一、產品介紹
小體積激光功率計結構緊湊,擁有較高的靈敏度和應用靈活性強等特點。可集成在各類激光器內對激光功率進行實時監測,也可以作為手持式激光功率計使用。
二、產品特征
· 可集成化應用
· 結構緊湊
· 單發脈沖能量測試功能
· 可選擇光譜范圍
· PC端USB接口輸出可選
三、產品參數
| 型號 | BND-Z05-08 |
| 光譜范圍(μm) | 0.19 - 25 |
| 功率范圍 | 10mW - 5W (20W) |
| 間歇測量功率 | 5W (Cont.) |
| 10W (2min) | |
| 20W (1min) | |
| 分辨率 | 0.5mW |
| 測量不確定度(±%) | < 1 |
| 非線性度(±%) | < 1 |
| 精度(±%) | < 3 |
| 響應時間(s) | < 1 |
| 吸收體類型 | MA |
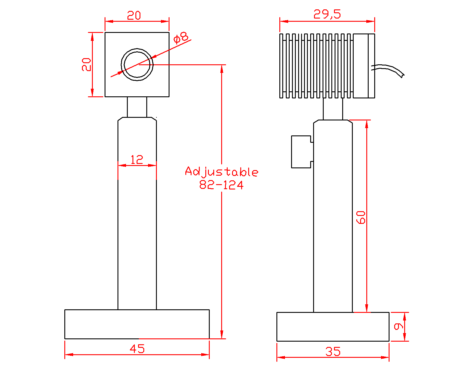
| 探測口徑(mm) | 8 |
| 最大平均功率密度 | 20kW/cm2 |
| 最大能量密度 | 0.15J/cm2 |
| 1064nm | |
| 1ns | |
| 規格(mm) | 20 × 20 × 29.5 |
| 冷卻方式 | 自然冷卻 |
| 接口類型 | DB-9M |
| 電纜長度(m) | 1.5 |
四、尺寸

